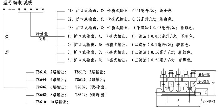
“T86”型容積式定量分配器:適用于周期工作的卸壓式潤滑系統。系統加壓時各路分配器輸出設定量的潤滑油;卸壓時,分配器活塞復位計量儲油。每次工作都包括加壓和卸壓兩個過程。分配器工作一次輸出油量的多少取決于活塞行程的長短。因此它能將潤滑介質每次按設定的給油量恒定輸出而不受其他因素(泵油時間、潤滑點位置高低遠近、溫度變化等)的影響。定量分配器每路給油量可在規格范圍內任意選擇;輸出口形式有卡套式和擴口式兩種選擇;安裝時可任意串接或并接于系統主管路。工作壓力:1.8MPa(稀油)或2.5 MPa(油脂)。適用油液范圍:N22#-N320#潤滑油或000#油脂。其中"01(X)、02(Y)、03(Z)"三種給油規格屬于精準微量級給油。


 |