“AP822”系列自動潤滑泵是一種電機驅動齒輪泵。含“MY”型控制器、自動卸荷閥、液位開關等。屬間歇工作泵。用于需周期工作的容積式定量集中潤滑系統。接通電源,即可自動工作。具有液位報警、輸出聯控信號等功能。 工作電源:AC220V;50~60Hz 功率: 60W; 額定壓力:1.8MPa; 額定流量:200ml/min。 適用潤滑介質:N32#~N68#。 “AP822”系列自動潤滑泵廣泛應用于機床、紡機、印機、塑機、電梯、木工、食品、包裝等機械設備的潤滑。

型號編制說明


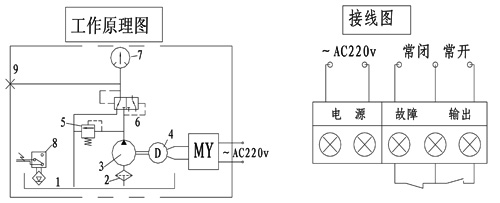
工作原理 “AP”自動泵工作原理:將間歇時間、工作時間設定后,“MY”型控制器控制電機4的工作和間歇。電機4得電,驅動齒輪泵3運轉。通過吸油濾網2從油箱1吸入潤滑油,經自動換向閥6 壓送至輸出口9 輸往系統。電機失電,停止泵油,換向閥6 在差壓信號的作用下恢復至左位機能,溝通主管路卸荷通道。系統壓力經自動換向閥6 快速卸荷到油箱。系統壓力由調壓閥5控制,壓力表7 顯示。液位開關8隨時檢測油位,輸出無源常開信號。

使用與調整 1.潤滑泵適用環境溫度:-5℃~ 40℃;潤滑介質:N32#~N68#潤滑油。 2.每次應添加清潔的潤滑油,加油時翻開加油蓋,經加油濾網注入,加入量應在油箱的油位線范圍內。每半年須清洗一次油箱,同時清洗或更換加油濾網和油泵吸油濾網。 3.油泵應水平安裝,應盡量避免在有腐蝕性氣體、塵埃和高濕環境下使用。 4.接線時,打開罩蓋,按上圖所示接入AC220v電源線,另設低液位無源輸出的三個端子可供用戶聯控主機:中間是公共端,左邊為常閉端,右邊為常開端。不需要聯控則無須連接。裝上罩蓋才可通電。通電后,不允許打開罩蓋,以防發生電擊危險。 5.泵面板設有電源、工作和低液位三只指示燈、間歇時間調節旋鈕,及點動按鈕。 6.接通電源,電源指示燈亮。先將間歇時間旋鈕調到合適值,可在調試中按實際情況予以修正。油泵進入自動工作狀態。泵油時,工作指示燈亮。泵油結束即進入間歇計時狀態;計滿“間歇時間”又進入下一工作循環,周而復始,直到切斷電源。泵油時間已設定。按“點動潤滑”,即泵油。停止泵油,系統壓力即自動卸荷。 7.系統壓力由調壓閥控制。順時針旋擰壓力閥調節螺釘,壓力升高;反之,壓力降低。出廠時均已調好(1.8MPa)且鎖緊。用戶一般不要隨意調節。 |