一、概述 “GP268”智能潤滑泵,內含“SK6”型控制器、自動卸荷閥、自動排氣內閥、溢流閥、低油位報警、壓力開關等,其中壓力開關使用壽命高達100萬次,屬間歇工作泵。用于需周期工作的容積式定量集中潤滑系統。泵油間歇時間設置范圍:1~999分鐘(倒計時),具有斷電記憶功能;每次泵油時間長短根據環境溫度變化、負載多少自動調整;油泵的運行時間和間歇時間均采用數碼管顯示。 工作電源:AC220v,50/60(Hz); 功率:60(w);額定壓力:2.5(MPa);額定流量:160(ml/mim); 油箱容量:4升;適用介質:N32#~N320#潤滑油。
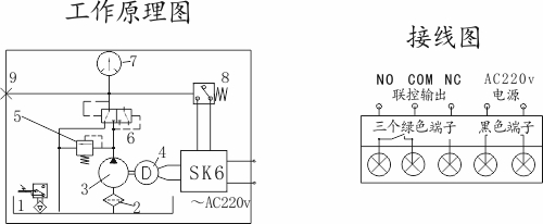
 二、工作原理 “GP268”智能泵工作原理:將間歇時間設定后,即進入間歇計時狀態,中途斷電再次通電后繼續遞減計時,累計計滿預設的間歇時間。“SK6”型控制器確認常開型壓力開關 8復位的前提下(斷態信號,通態報警),控制電機4運轉驅動齒輪泵3泵油,經自動換向閥6壓送至輸出口9輸往潤滑系統。當系統分油結束,壓力上升到壓力開關動作壓力時,“SK6”型控制器指令油泵電機繼續運轉10秒鐘(這是保壓時間,可調)。期間系統壓力穩定到溢流閥5的調定壓力(保壓)。停泵時,換向閥6在差壓信號的作用下恢復至左位機能,溝通主管路卸荷通道。系統壓力卸壓。油箱油位下降到下限位置時,油位開關1發通態信號。額定壓力由調壓閥5控制,壓力表7顯示。
 三、電氣接線說明 1、電源引線端接到AC220V電源,必須長供電,否則功能休止; 2、聯控輸出(常開常閉可選擇)接到主機控制端。不需要聯控主機工況的可讓其懸空。 四、使用與調整 1.參考“電氣接線說明”連接。只要接通電源,綠色“電源燈”常亮;當油泵電機處于運轉狀態,綠色“運行燈”閃爍;當油泵電機處于停止狀態,黃色“間歇燈”閃爍;當紅色“故障燈”閃爍且數碼管顯示 :“-E1”時表示低油位報警,“-E2”時表示卸壓故障(壓力開關沒有復位,處于通態信號),“-E3”時表示上次泵油時欠壓故障(低壓力報警,壓力開關沒有發出通態信號)。 2.油泵按鍵說明 2.1復位鍵,按此鍵完成一次完整的工作循環。完整的工作循環是: ①檢測壓力開關是否復位,沒復位則報警顯示“-E2”,復位則進入第二階段;②啟動油泵泵油,從設定的最長泵油時間開始倒計時,期間如果一直沒有壓力開關的通態信號,則報警并顯示“-E3”,當系統壓力達到壓力開關動作值時,即進入第三階段;③保壓階段,保壓時間倒計時歸零,進入第四階段;④待機階段,計滿間歇時間開始下一循環。 2.2增加鍵,當進入相應設置狀態后,數碼管閃爍顯示對應的時間設定值,按此鍵對應的時間設定值將累加1。 2.3減少鍵,當進入相應設置狀態后,數碼管閃爍顯示對應的時間設定值,按此鍵對應的時間設定值將累減1。 2.4點動鍵,在工作狀態時,點按此鍵結束當前工作;在間隔狀態時,按此鍵則進入點動工作狀態,數碼管累加顯示工作秒數。 3.工況設置(各類時間設置) 3.1 設置間歇時間:在間歇狀態下長按增加鍵5秒進入間隔時間調整狀態,松開按鍵。再點按增加鍵或減少鍵來調整需要的間隔時間值,當目標值出現即松開按鍵,10秒后生效,可調整范圍為1-999分鐘。 3.2 設置最長泵油時間:在間隔狀態下同時按住增加鍵和減少鍵5秒,進入最長時間調整狀態界面,松開按鍵。再點按增加鍵或減少鍵來調整需要的最長泵油時間值,當目標值出現即松開按鍵,10秒后生效。 3.3 設置保壓時間:在間隔狀態下,先按住減少鍵不松開再同時按住點動鍵,5秒直到數碼管閃爍,松開按鍵。再點按增加鍵或減少鍵來調整需要的保壓時間值,當目標值出現即松開按鍵,10秒后生效,可調整范圍為0-60秒鐘。 4.注意事項 4.1 必須經過加油過濾器加入規定牌號的潤滑油,加入量應在油標規定的范圍內。 4.2 壓力由溢流閥控制。順時針旋擰壓力閥調接螺釘,壓力升高;反之降低,出廠時均已調好2.5MPa。用戶一般不要隨意調節。
 |